SAL C2AKGE9

CERNIERA SILENTIA+ C2AKGE9 SALICE

Cerniera Decelerante C2AKGE9 Serie 200 SILENTIA+ Apertura 155° - Collo 9 - Fissaggio Viti Legno SALICE
10,23 di cui imponibile 8,38 €

Spese di spedizione: GRATIS per ordini superiori a 150€

 
Descrizione
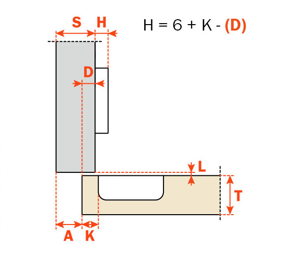
Cerniere con sistema decelerante a due deceleratori ad olio siliconico, integrato nella scatolina.
Cerniere per ante di spessore minimo 10 mm.
Dimensione scatolina ø 35 mm.
Profondità della scatolina in zama 13,5 mm.
Possibilità di foratura dell'anta K da 3 a 9 mm.
Adattabili a tutte le basi tradizionali Serie 200 e a tutte le basi Domi a innesto rapido.