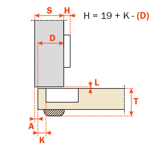
SAL CNA7AE9 CERNIERA SILENTIA+ CNA7AE9 SALICE su 5 stelle 0 0 0 0 0 Cerniera Decelerante CNA7AE9 Serie N SILENTIA+ Foro 40mm SALICE 4,34 € di cui imponibile 3,55 € Disponibilità prodotto 256 Spese di spedizione: GRATIS per ordini superiori a 150€ Spedito in: 1/2 giorni lavorativi Spedito in: 30 giorni lavorativi giorni lavorativi Acquista Descrizione Profondità della scatolina in acciaio 15,5 mm.Diametro della scatolina 40 mm.Apertura 94°.Possibilità di foratura dell'anta K da 3 a 14 mm.Adattabili a tutte le basi tradizionali Serie 200 e a tutte le basi Domi a innesto rapido. Download Scarica documentazione allegata 1 Scarica documentazione allegata 2
14 aprile 2026 Prodotti MILWAUKEE online! Elettroutensili a Batteria e a Filo di categoria Professionale